“广仪表” “GZMETER”
机械式电度表、电子式电能表、IC卡表等仪器仪表配套设备。
销售服务热线
400-878-1315
|
型号名称 |
规格(___A/5A) |
精度 |
接线方式 |
孔径 |
|
LMZJ1-0.5型电流互感器 |
10,20,30,50,75,100 |
0.5 |
多次穿芯 |
Φ30 |
|
0.5S,0.2 |
||||
|
0.2S |
||||
|
75,100 |
0.5S,0.2 |
一次穿芯 |
Φ30 |
|
|
0.2S |
||||
|
150,200,300 |
0.5 |
一次穿芯 |
Φ30 |
|
|
0.5S,0.2 |
||||
|
0.2S |
||||
|
400,500,600,750 |
0.5 |
一次穿芯 |
Φ50 |
|
|
0.5S,0.2 |
||||
|
0.2S |
||||
|
750,800,1000 |
0.5 |
一次穿芯 |
Φ80 |
|
|
0.5S,0.2 |
||||
|
0.2S |
||||
|
1000,1200,1500 |
0.5 |
一次穿芯 |
Φ100 |
|
|
0.5S,0.2 |
||||
|
0.2S |
||||
|
2000,2500 |
0.5 |
一次穿芯 |
Φ140 |
|
|
0.5S,0.2 |
||||
|
0.2S |
||||
|
3000 |
0.5 |
一次穿芯 |
Φ140 |
|
|
0.5S,0.2 |
||||
|
0.2S |
|
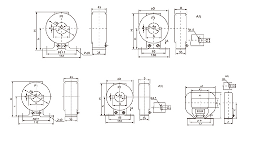
额定一次电流 |
ΦD |
Φd |
h |
H |
a |
B |
|
5~300 |
92 |
30 |
68 |
116 |
7 |
53 |
|
400~600 |
114 |
40 |
83 |
140 |
9 |
54 |
|
额定一次电流 |
A1 |
A2 |
H |
h |
B |
L1 |
L2 |
C |
|
800~1500 |
174 |
106 |
153 |
91 |
50 |
113 |
143 |
42 |
|
2000~3000 |
216 |
140 |
175 |
102 |
70 |
143 |
175 |
45 |